联系我们
发送邮箱
主页 › 新闻资讯新闻动态 › 上海巨微代理MS1656低功耗灯带蓝牙芯片

上海巨微代理MS1656低功耗灯带蓝牙芯片

2020-07-20 09:35:05

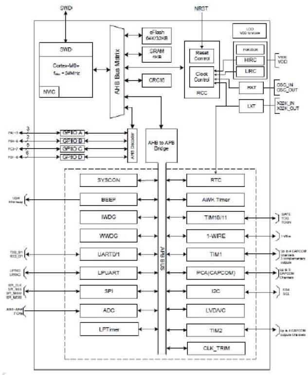
巨微MS1656是单模超低功耗蓝牙芯片,射频采用2.4GHz ISM 频段的频率,2MHz 信道间隔,符合蓝牙规范。MS1656 采用的是拥有内核Cortex-M0+内核的高性能的32 位微控制器,工作频率最高可达24MHz,且内置高速存储器,丰富的增强型I/O 端口和外设连接到外部总线。MS1656 产品系列具有低电压、低功耗、低待机电流、快速唤醒等特点。提供QFN20 封装形式,适合于LED灯带蓝牙芯片 、电机驱动和应用控制、充电器、温控器、记录仪、警报系统、门禁系统、数据采集和传输系统等多种应用场合。上海巨微总代理英尚微电子提供技术支持及产品解决方案。
 
MS1656特征
内核与系统:
- 32 位ARM®Cortex-M0+处理器内核,最高工作频率可达24MHz
- 一个24 位系统定时器
- 支持低功耗睡眠模式
- 单周期32 位硬件乘法器
存储器
- 64K 字节的嵌入式Flash,具有擦写保护功能
- 4K 字节的SRAM
单模BLE 射频收发机
- 数据包处理引擎
- GFSK 编码方式
- 内部电压调节器保证PSRR
- 可编程输出功率范围:-28dBm ~ +3dBm
- 1Mbps 空气数据传输
- 优秀的射频链路预算:高达-85dBm
时钟、复位和电源管理
- 2.4V ~ 3.6V 供电
- 外部16MHz 高速晶体振荡器
- 内嵌4MHz - 24MHz 高速振荡器
- 内嵌38.4KHz 低速振荡器
低功耗
- 两种低功耗工作模式:Sleep、Deep Sleep
- 低电压检测,可配置为中断或者复位
l 1 个12 位1Msps 采样速率,SAR 型ADC
l 电压比较器(VC)/低电压检测器(LVD)
l 11 个I/O 端口
调试模式
- 串行单线调试(SWD)
定时器
- 1 个16 位高级定时器:4 通道PWM 输出/输入捕获,支持3 路互补输出,以及死区生成和紧急停止功能
- 1 个16 位通用定时器,支持4 路比较输出/输入捕获,PWM 输出
- 1 个16 位可编程定时器阵列,支持5 路输入捕获/比较输出,PWM 输出
- 2 个16/32 位基础定时器/计数器
- 1 个16 位低功耗定时器
- 2 个看门狗定时器(独立的和窗口型的)
- 自动唤醒定时器
RTC
- 支持RTC 计数(秒/分/时)及万年历功能(日/月/年)
- 支持闹铃功能寄存器(秒/分/时/日/月/年)
- 支持RTC 从Deep Sleep 模式唤醒系统
通信接口
- UART0-UART1 标准通讯接口
- I2C 标准通讯接口,最高达1Mbit/s
- SPI 标准通讯接口,最高达8Mbit/s
16 字节的芯片唯一ID(CID)
 
功能结构图
 

ARM的Cortex-M0+核心
ARM 的Cortex-M0+处理器是最新一代的嵌入式32 位RISC 处理器,该处理器引脚数少、功耗低,能够提供满足MCU 实现需要的低成本平台,同时提供卓越的计算性能和先进的中断系统响应。Cortex-M0+处理器全面支持Keil & IAR 调试器,包含了一个硬件调试电路,支持2 线式的SWD 调试接口。Cortex-M0+特性:

 
存储器(Memory)
64K 字节的嵌入式闪存存储器,用于存放程序和数据。内建全集成的Flash 控制器,无需外部高压输入,由全内置电路产生高压来编程,支持ISP、IAP 功能。4K 字节的内置SRAM。
 
工作模式
1) 运行模式Active:CPU 运行,周边功能模块运行。
2) 休眠模式Sleep:CPU 停止运行,周边功能模块运行。
3) 深度休眠模式Deep Sleep:CPU 停止运行,高速时钟停止运行,低功耗功能模块运行。
 
可以通过软件来选择运行在哪种工作模式。休眠模式时CPU 时钟关闭,其他部分依然可以工作,可以通过中断来唤醒CPU。深度休眠模式下,系统主时钟关闭,绝大部分模块停止工作,系统工作在内置的38.4KHz/32.768KHz 内置低速时钟上,可以通过RTC 中断或外部的唤醒引脚来唤醒芯片。在正常工作模式下,可以选择分频方式工作或停止一些不需要使用的模块的时钟来实现功耗和性能之间的灵活切换。
 
RF发射机特性
 
 

本文关键词:灯带蓝牙芯片  MS1656


相关文章: BLE Beacon专用芯片解决方案—巨微MG127


深圳市英尚微电子有限公司是一家专业的静态随机记忆体产品及方案提供商,十年来专业致力代理分销存储芯片IC, SRAM、MRAM、pSRAM、 FLASH芯片、SDRAM(DDR1/DDR2/DDR3)等,为客人提供性价比更高的产品及方案。
英尚微电子中国区指定的授权代理:VTI、NETSOL、JSC济州半导体(EMLSI)、Everspin 、IPSILOG、LYONTEK、ISSI、CYPRESS、ISOCOME、PARAGON、SINOCHIP、UNIIC; 著名半导体品牌的专业分销商  如:RAMTROM、ETRON、FUJITSU、LYONTEK、WILLSEMI。
 

​更多资讯关注SRAMSUN.   www.xpcontent.com         0755-6665829

展开
Baidu
map